Descrição
A máquina de secagem à spray para tempero de alimentos é uma nova unidade de secagem à spray a qual nossa empresa criou baseada em muitos anos de experiência acumulada na produção de máquina de secagem à spray. É adequada para secagem e granulação de emulsão, líquido suspenso, materiais em estado pastoso, e muitos outros. Através do uso de um corte giratório e entrada de ar, os materiais são aptos a varrerem as paredes do interior, dessa forma prevenindo qualquer perfuração e ineficiência de secagem. Um sistema de coleta de purificação centralizada coleta os produtos finais e utiliza um sistema de controle inteligente PLC e outras tecnologias novas, tornando-a uma máquina altamente avançada de secagem à spray para tempero de alimentos.
Características de tecnologia da máquina de secagem à spray para tempero de alimentos
1. Essa unidade utiliza um atomizador centrífugo linear de alta velocidade, com uma velocidade de ligação de 16000 rpm, é adequada para secagem e granulação de materiais em estado líquido de conteúdo altamente sólido.
2. Essa máquina de secagem à spray para tempero de alimentos utiliza uma tecnologia de resfriamento e desumidificação. É adequada para secagem e granulação de materiais viscosos, oleosos ou sensíveis à calor.
3. Essa unidade utiliza uma coleção de purificação centralizada onde os produtos acabados podem ser coletados em um ambiente limpo, o qual atinge um alto padrão de higiene, e assim vem a evitar um maior nível de poluição externa.
4. A unidade utiliza três níveis de um sistema de descarga independente e tecnologia de spray de lavagem de múltiplo estágio para aumentar a circulação dos materiais.
5. O corte giratório em uma limpeza por entrada de ar, limpa as paredes, e assim consegue solucionar os problemas de qualquer material que venha a ficar obstruído nas paredes internas da máquina de secagem à spray para tempero de alimentos.
6. Essa unidade é equipada com medida de temperatura infravermelho e tecnologia de controle automático. Através de uma resposta real de temperatura, ela ajusta automaticamente a alimentação do material líquido e garante a qualidade dos produtos acabados. Através do uso de programa de design, criptografia, correção e um sistema de operação PLC, a máquina de secagem à spray para tempero de alimentos aumenta efetivamente a precisão de execução de parâmetros de processamento, que vem a garantir posteriormente a qualidade superior dos produtos e aumenta o nível de gerenciamento de um produção modernizada.
7. A fim de facilitar o uso dessa unidade, a fonte de aquecimento pode ser elétrica, à vapor, a combustível, ou a gás natural, de acordo com a situação específica.
8. Uma tecnologia avançada para prevenir congestionamento é aplicada para evitar bloqueios durante a descarga dos produtos finais.
Parâmetros técnicos da máquina de secagem à spray para tempero de alimentos
| Item | Dados | |||||||
| TPG5 | TPG25 | PG50 | TPG100 | TPG150 | TPG200 | TPG500 | TPG1000 | |
| Quantia de água evaporada W (Kg/h) ≥ | 5 | 25 | 50 | 100 | 150 | 200 | 500 | 1000 |
| Temperatura de ar de entrada (℃) ≥ | 220 | |||||||
| Temperatura de ar de saída (℃) ≤ | 90 | |||||||
| Método de aquecimento | Eléctrico | Elétrico e à vapor | Óleo, gás e fornalha | |||||
| Grau de limpeza de sistema | 300 mil níveis | |||||||
| Diâmetro de disco de atomização (mm) | ¢50 | ¢108 | ¢120 | ¢130 | ¢150 | ¢150 | ¢150 | ¢190 |
| Velocidade de rotação do atomizador (r/min) | 35000 | 20500 | 17600 | 17600 | 15500 | 15500 | 15500 | 11570 |
| Eficiência do produto | Cerca de 98.5% | |||||||
Nota: Os dados podem ser alterados em acordância com os requerimentos do cliente. As informações acima são destinada ao uso referencial somente.
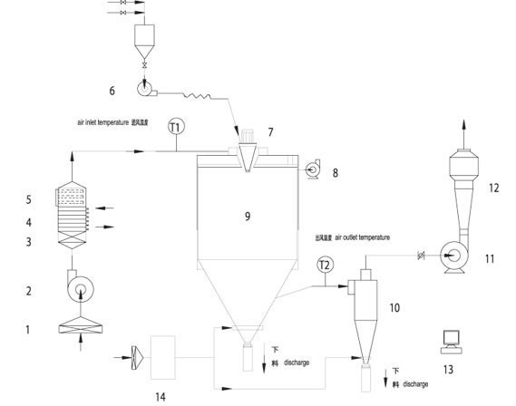
Fluxograma de processos
| 1. Primários & filtro de ar de eficiência média 2. Ventilador 3. Sub-filtro de ar de alta eficiência 4. Aquecedor à vapor 5. Aquecedor elétrico 6. Bomba de alimentação 7. Atomizador |
8. Ventilador de resfriamento de parede 9. Torre de secagem 10. Ciclone 11. Ventilador secundário 12. Espanador de filme de água 13. Caixa de controle 14. Máquina de refrigeração desumidificadora. |
Escopo de aplicação
A máquina de secagem à spray para tempero de alimentos é adequada para uso em materiais líquidos, pastosos, ou úmidos, tais como: essências de sal, adubo, aminoácidos, pó de vinagre e outros.
Também consegue secar outros aditivos alimentares, como albumina em pó para pescado, pó de ovos, pó de cogumelos, dextrina, extratos vegetais, de plantas e muitos outros.
Typical Customers
Angsana Food Industries SDN BHD
Muskvale Pty Ltd
Guangdong Huixiangyuan Biology Science Co., Ltd
Hebei Zhongwang Food Group Co., Ltd
Henan Pinzheng Food Co., Ltd
Zhejiang Dingwei Food Co., Ltd
Huabao Group
Beijing North Sunlight Food Additive Co., Ltd
Shanghai Xumei Flavour Co., Ltd

