Secador rotativo de correia a vácuo para líquidos e pastas

 Secador rotativo de correia a vácuo para líquidos e pastas

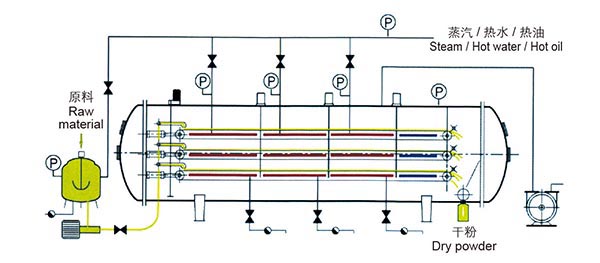
O nosso secador rotativo de correia a vácuo GZDY é um dispositivo de secagem especialmente designado destinado para líquidos e materiais tipo pasta. Este equipamento de secagem a vácuo é capaz de alimentar continuamente e descarregar esses líquidos e pastas através do emprego de uma bomba de alimentação potente que envia o material para ser uniformemente espalhado na correia pelo dispositivo de distribuição. Sob o acionamento à vácuo, o ponto de ebulição do líquido é reduzido para que a mistura possa ser aquecida a altas temperaturas, evaporando a água no interior e evitando qualquer confusão causada pela fervura. O secador a vácuo pode usar vapor, água quente e óleo quente como fontes de calor.

O material se move ao longo das correias onde o produto começa pela evaporação e secagem para arrefecimento e descarga na extremidade. Perto da extremidade de descarga da máquina de secagem está um triturador a vácuo especial que pode ser usado para embalar automaticamente os produtos em pó secos ou granulados

Este modelo de secador rotativo de correia a vácuo transforma secagem estática tradicional em secagem dinâmica a vácuo o que reduz significativamente o tempo de secagem de 8-20 horas a 20-80 minutos. Na máquina, a temperatura de secagem é ajustável para diferentes produtos com diferentes qualidades. Ele resolve completamente o problema de secadores de pulverização de alta temperatura que pode desnaturar alguns materiais devido a longos tempos de secagem de fornos tradicionais. A cor, solubilidade e preservação ingrediente dos materiais secados no secador de correia a vácuo são excelentes e o processo não pode ser duplicado e o processo não pode ser duplicado usando técnicas diferentes.

Como os materiais são gradualmente secos dentro de um período de tempo após serem expostos a condições de vácuo, os grânulos passam por alguma cristalização. Isto cria micro poros que permitem que o grânulo seja esmagado em uma consistência desejada para processos como prensagem de comprimidos e enchimento de cápsulas.

A tecnologia de secagem em correia a vácuo tem ampla gama de possibilidades de aplicações. Ela é muitas vezes usada para processo de extração e é especialmente adequada para materiais de alta viscosidade que são fáceis de aglomerar. Também é a técnica preferida para lidar com materiais sensíveis ao calor e termoplásticos. O uso de secador de correia a vácuo permite-lhe evitar defeitos em pós que são muito frinos ou amontoados. A qualidade do produto acabado é controlada facilmente, mediante um ajuste na velocidade do transportador, espessura do material, temperatura, grau de vácuo e de outros parâmetros da máquina. Independentemente da aplicação, secagem a vácuo é muito superior a secagem por pulverização.

Vantagens do equipamento
1. Automático, canalizado e processo de secagem contínuo
2. Alimentação contínua, secagem, granulação e descarga em estado de vácuo
3. Secagem acabada: trituração e granulação no estado de vácuo
4. Custo de operação: 1/3 do forno a vácuo, secados de pulverização, 1/6 do secador de arrefecimento
5. 2 operadores, no máximo, e muito menos o custo do trabalho
6. Temperatura de secagem ajustável (20-150℃) e tempo de secagem (20-80min)
7. Sem desnaturação ou contaminação bacteriana para materiais sensíveis ao calor 8. Descarga contínua de pó seco após 20 ~ 80min, com uma taxa de recolha de 99%
9. Capaz de resolver os problemas causados por materiais de alta viscosidade e itens de secagem difíceis
10. Sistema de limpeza CIP, padrão GMP

Âmbito de aplicação:
O secador de correia a vácuo é usado principalmente em vários líquidos ou matérias-primas tipo pasta, tais como medicamentos tradicionais e ocidentais, alimentos, produtos biológicos, produtos químicos, aditivo alimentar etc, A máquina é especialmente adequada para materiais de difícil secagem, com elevada viscosidade, fácil aglomeração, ou sensibilidade térmica. O secador pode lidar com materiais que não podem ser secados por secadores tradicionais.
1. Indústria farmacêutica: Extratos de medicina chinesa, extractos de plantas, embriões, líquidos de fermentação série PVPK, etc.
2. Indústria alimentar: extrato de malte, carboidratos, bebida instantânea, chá em pó, cacau em pó, pasta de milho etc.
3. Indústria química: bateria de lítio, benzoato de emamectina, etc.

Parâmetros técnicos

Modelo Diâmetro (mm) Comprimento (mm) Altura (mm) Área de troca de calor (m2) Temperatura de aquecimento ( ℃ ) Teor de humidade do material de alimentação (%) Teor de humidade do produto seco (%) Meios de aquecimento Capacidade de evaporação de água (Kg/h) Potência da estrutura principal (kw)
GZDY5-2 1400 5500 2300 5 20-120 20-80 0.2-5 Vapor, água quente ou óleo quente 3-5 6.00
GZDY10-2 1400 7300 2300 10 5-8 8.00
GZDY30-4 1700 9800 2700 30 15-25 10.00
GZDY60-6 2200 10800 3550 60 45-55 14.00
GZDY80-6 2200 13500 3550 80 60-75 14.50
GZDY100-6 2200 16100 3550 100 80-90 15.50
GZDY120-7 2200 16100 3550 120 100-110 16.50
GZDY160-8 2800 17300 4100 160 120-140 18.50
GZDY200-10 2800 17300 4100 200 160-180 25.50
Se o solvente de matéria-prima é orgânico (etanol, acetona, metanol etc.), capacidade de evaporação irá subir. Capacidade de evaporação está intimamente relacionada com a temperatura de secagem.

Deixe uma mensagem
Outros Produtos